Гидромотор MS250C (250 см3)
Гидромотор MS250C
Гидромотор MS250C производства болгарской компании M+S Hydraulic, предназначенный для преобразования энергии давления рабочей жидкости в крутящий момент, передаваемый через вал мотора в исполнительные органы механизма. М+S Hydraulic – лидер в производстве гидравлических моторов и дозаторов на рулевые механизмы, признанный пользователями гидравлики в Европе. Вся продукция имеет большой ресурс наработки благодаря ответственному подходу к точности и качеству в процессе производства. В настоящее время M+S Hydraulic сертифицирована в соответствии с последними версиями стандартов ISO 14001:2015 и ISO 45001:2018.
MS250C является аналогом героторному гидромотору производства компании Sauer Danfoss OMS 250. Данная модель имеет низкий уровень шума при работе, компакта по габаритным размерам. Используют такой гидромотор на конвейерах, текстильных и металлообрабатывающих станках. Часто устанавливают на сельскохозяйственную технику, дорожные машины и технику для скашивания травы.
Технические характеристики MS250C
Гидравлический мотор с героторной парой, рабочий объем 250 см3/об. Частота вращения двигателя составляет 300-360 об/мин, при этом необходимо создать подачу масла в 75-90 л/мин соответственно. Рабочее давление от 230 до 300 бар, мощность гидромотора – 14.5-18 кВт. Мотор хорошо реализует свои рабочие параметры при использовании минерального гидравлического масла и рабочей температуры от -40 до 140℃. Вес гидромотора – 11.7 кг.

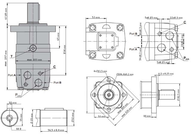
Присоединительные размеры
MS250C имеет квадратный крепежный фланец на 4 крепежных отверстия диаметром 13,5 мм. Межосевое расстояние между отверстиями составляет 106,4 мм. Диаметр замка фланца – 82,5 мм. Вал мотора – цилиндрический под призматическую шпонку, диаметр – 32 мм. Длина вала (от торца до фаски) составляет 56,5 мм. Соединительные порты находятся сбоку на корпусе двигателя. Подключение к портам давления может осуществляться двумя способами: фланцем или резьбовым адаптером G1/2” BSP. Сливной резьбовой порт, находится также сбоку на корпусе и имеет резьбу – G1/4” BSP.

Где купить гидромотор MS250C?
Купить M+S Hydraulic MS250C в Украине можно заказав на сайте компании «Гидро-Гид» или позвонив по номеру телефона, размещенному на сайте. Профессиональные инженеры выполнят подбор гидрооборудования, проконсультируют и предложат оптимальное решение для Вашей задачи.
- Производитель M+S Hydraulic
- Серия OMS (MS)
- Рабочее давление, Бар 230
- Рабочий объем, см3 250
- Максимальный крутящий момент, Н*м 720
- Максимальная мощность, кВт 18