Клапан типа "HI-LOW" для сдвоенных насосов VABP FL 10
Клапан разгрузки типа "HI-LOW" для сдвоенных насосов VABP FL 10 на 350 Бар
Клапан разгрузки типа "HI-LOW" для сдвоенных насосов VABP FL 10 от Oleodinamica Marchesini, устанавливаемый в гидроконтуре, работающий от двух параллельно соединенных насосов. Он разгружает насос от высокой скорости потока рабочей жидкости при достижении определенного значения калибровки. Клапан был специально сделан для прямого фланцевого подключения к электромагнитному клапану.

(обозначение на гидравлической схеме)
Если Вам необходимо выбрать клапан, монтажную плиту, регулятор расхода или гидрозамок, конечный выключатель или аварийные кнопки, то рекомендуем итальянскую фирму Oleodinamica Marchesini.
ТЕХНИЧЕСКИЕ ХАРАКТЕРИСТИКИ VABP FL 10
Клапан типа "HI-LOW" VABP FL 10 изготовлен из полированной стали, а внутренние компоненты из термически закаленной и шлифованной стали. Уплотнение – BUNA N standard управляемый конус, позволяющий надежный монтаж с незначительным утечкой. Пропускная способность – 50 л/мин. Максимальное давление – 350 бар.
| Максимальная пропускная способность | 50 л/мин | 
| Максимальное давление | 350 Бар | 
УСТАНОВКА "HI-LOW" VABP FL
Подключите клапан к блоку управления, чтобы порт ВР подключен к насосу с более высокой скоростью потока, АР к насосу с более низким расходом рабочей жидкости. Порт М подсоединяют к манометру, если он есть.
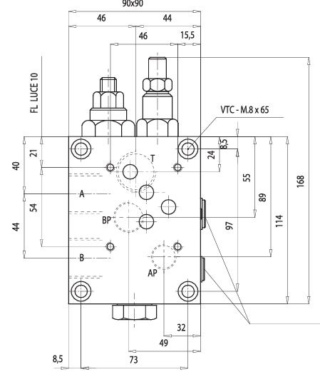
ПРИСОЕДИНЯЮЩИЕ РАЗМЕРЫ VABP FL 10 ДЛЯ ГИДРОСИСТЕМЫ
Разгрузочный клапан для сдвоенных насосов VABP FL 10 имеет следующие присоединительные размеры:
- Высота корпуса – 90 мм.
- Длина корпуса – 168 мм.
- Резьба(А) – G3/4”. (В) – G3/4”. (Т) – G3/4”. (АР) – G3/8”. (ВР) – G1/2”.
- Вес – 6,388 кг.
 
ГДЕ КУПИТЬ "HI-LOW" VABP FL 10 ДЛЯ ГИДРОСИСТЕМЫ?
Купить клапан разгрузки типа "HI-LOW" для сдвоенных насосов VABP FL 10 от Oleodinamica Marchesini рекомендуем в украинской компании «ГИДРО-ГИД», специализирующейся на изготовлении и продаже гидроэлементов. У нас есть только проверенный товар по приятным ценам.
Оформите заказ на нашем сайте или оставляйте свой мобильный номер в «Кнопке связи».
- Производитель Oleodinamica Marchesini
- Тип Клапан расхода
- Максимальное рабочее давление, Бар от 301
- Пропускная способность, л/мин 21-40, 41-50
- Тип монтажа Плитный
- Диаметр условного прохода ДУ10
- Пропускная способность, л/мин 10
- Максимальное рабочее давление, Бар 250
 
                             
                                             
                                             
                                         
                                        