Пн - Пт : 09.00 - 19.00 | Сб : 09.00 - 15.00
Рассчитать гидропривод

Насос-дозатор HKUS 320 см3 - для тракторов Claas, Case, John Deere

Артикул: MI0012324
Насос-дозатор HKUS 320 см3 - для тракторов Claas, Case, John Deere
Основные характеристики:
  • Производитель : M+S Hydraulic
  • Рабочий объем, см3 : 316.8
В наличии
Опт и розница

НАСОС-ДОЗАТОР HKUS320/4-170/3 M+S HYDRAULIC

Насос - дозатор HKUS320/4-170/3 болгарского производства M+S Hydraulic является гидрорулем.

HKUS является блоком рулевого управления, в котором порты R и L в нейтральном положении соединены с дренажной линией T. Эта схема способствует быстрому сбросу остаточного давления в линиях Land R, которая обычно блокируется, когда руль переключается и рывками отпускается в нейтральном положении. Также имеют дополнительный порт EL: на эту часть можно установить электрогидравлическое реле, обеспечивающее управление гидравлической системой. Реле можно предварительно настроить на нормально открытые (НО) или нормально закрытые (НО) контакты с диапазоном регулировки от 0,1 до 50 бар.

Управляющие гидравлические схемы блоков рулевого управления HKU(S) разработаны для обеспечения минимального энергопотребления (потерь энергии) в различных гидравлических системах, таких как системы автопогрузчиков, сельскохозяйственных и строительных машин.

M+S Hydraulic – один из ведущих болгарских производителей, основанный в 1963 году. С 1972 года M+S Hydraulic специализируется на производстве гидравлического оборудования. В 1995 году компания, которая была первой в Болгарии, получила сертификат качества в соответствии с требованиями международных стандартов ISO 9001:1994.

ПРИМЕНЕНИЕ HKUS320/4-170/3 В ГИДРАВЛИКЕ

Насос-дозатор HKUS320/4-170/3 наиболее распространен на следующей технике:

  • Тракторы: Claas, Case, John Deere

ТЕХНИЧЕСКИЕ ХАРАКТЕРИСТИКИ HKUS320/4-170/3

Рабочий объем 316.8 см3/мин
Максимальное давление 170 Бар
Максимальный крутящий момент 120 Н*м
Вес 7 кг

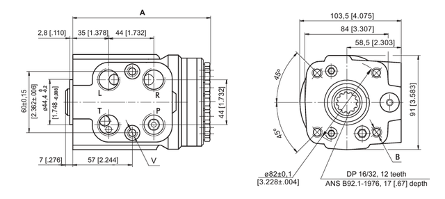
ПРИСОЕДИНЯЮЩИЕ РАЗМЕРЫ HKUS320/4-170/3

А 168.2 мм

 

ГДЕ КУПИТЬ HKUS320/4-170/3 ДЛЯ ГИДРАВЛИКИ?

Насос – дозатор HKUS320/4-170/3 болгарского производства M+S Hydraulic рекомендуем купить в украинской компании "ГИДРО-ГИД". Мы гордимся тем, что можем поставлять товары лучшего европейского качества для наших клиентов, а также радовать Вас удобными условиями доставки и оплаты гарантией 12 месяцев.

Для заказа обращайтесь по номеру, который представлен на нашем сайте или оставляйте свой в окне "Кнопка связи" и мы оперативно позвоним Вам.

Основные характеристики
  • Производитель M+S Hydraulic
  • Рабочий объем, см3 316.8
Отзывов пока еще нет
Оставьте Ваш отзыв