Аксіально-поршневий насос VDP125RY (ABER)
Аксіально-поршневий насос VDP125RY від ABER(Португалія)
Насоси VDP — це аксіально-поршневі насоси змінного об’єму, має на меті подачу робочої гідравлічної рідини та тиску в гіросистему та призначені для використання у відкритих контурах. Вони можуть бути зібрані безпосередньо у КВП, за винятком КВП двох валів без опори. Виконання для монтажу на стандартну коробку відбору потужності дозволяє його монтувати на спецтехніку та інші спеціальні гідравлічні системи. Серед яких насоси гідросистем гідрокарів, навантажувачів, сільськогосподарської техніки, будівельної та дорожньої техніки, маніпуляторів і т.д.
Насос має вбудований контролер для визначення навантаження із вбудованим обмеженням тиску та дренажною лінією. Ця команда дозволяє контролювати необхідну витрату незалежно від робочої швидкості насоса. Перепад тиску між навантаження, отриманим у напрямному регулюючому клапані та вихідним отвором насоса, контролюється регулятором. Обмежувач тиску дозволяє контролювати максимальний тиск.
Португальський виробник гідравліки ABER забезпечує відповідність своєї продукції основним вимогам щодо екологічності, якості та безпеки стандартів EN ISO 12100 2010 і EN ISD 4413:2010. Компанія має широку лінійку товарів серед яких представлені насоси, гідромотори, коробки відбору потужності(КВП), гідробаки, вали, гідророзподільники, джойстики та багато іншої корисної продукції.
Технічні характеристики VDP125RY для гідравліки
| Робочий об'єм | 121,4 см3/об |
| Номінальний тиск | 400 Бар |
| Максимальний тиск | 450 Бар |
| Мінімальна швидкість обертів | 500 об/хв |
| Максимальна швидкість обертів | 2100 об/хв |
| Крутний момент | 39.09 Н*м |
| Напрямок обертання | Правий |
Аксіально-поршневий насос VDP125RY з робочим об'ємом - 121,4 см3/об, має правий напрямок обертання з швидкістю 500-2100 об/хв. Номінальний тиск складає 400 Бар, а максимальний - 450 Бар. Крутний момент 39.09 Н*м.
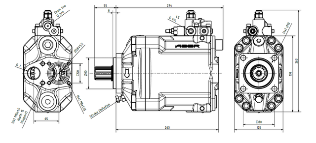
Приєднувальні розміри VDP125RY
Насос VDP125RY встановлюється на КВП, тому приєднувальний фланець квадратного типу на 4 отвори кріплення, діаметром 13 мм. Міжосьова відстань між отворами складає 80х80 мм. Діаметр замка фланця становить 80 мм. Вал – шліцьовий, В8х32х36 (8 шліців, діаметр валу 36 мм), виконано за стандартом DIN 5462. Приєднання в систему фланцеве 1". Вага - 29 кг.

Де купити насос ABER в Україні?
Купити аксіально-поршневий насос VDP125RY португальського виробника ABER, рекомендуємо в українській компанії "ГІДРО-ГІД". Ми є лідером серед постачальників гідравліки в будь-який куточок України. Доставка здійснюється зручним для Вас перевізником у найкоротші терміни. Якість товару відмінна, а гарантія складає 12 місяців, за умови дотримання правил експлуатації.
Для замовлення, звертайтеся за номерами, які представленні на нашому сайті або натискайте "Кнопку зв'язку".
- Виробник Aber
- Робочий тиск, Бар 460
- Робочий об'єм, см3 109.4