Коробка відбору потужності PTO 03 (PT1ZFAS12)
Коробка відбору потужності PTO 03 від Kazel
Коробка відбору потужності PTO 03 від турецького виробника Kazel застосовується для передачі потужності обертового моменту від двигуна автомобіля до гідронасоса.
Ми довіряємо продукції турецької компанії Kazel вже дуже давно. Нам подобається якість їхніх товарів, а також широкий ассортимент товарів(коробки відбору потужності, вали, датчики, фітигни, гідророзподільники, гідронасоси, джойстики та ін.) Компанія заснована в 1982 році та заволоділа авторитет серед гідравлічних виробників.
Технічні характеристики РТО 03 для гідросистеми
Моделі коробки передач:
- ZF16S251-221-151-150-130, ZFS5
- AK
- 6S-120-111-110-92, GPZFS5
- 6S-90-80-70-66-65-55-50 42-36-35
- ZF 9S 75
- 9S109
- 16S109
- ZF AK 680
- AK 690
- S680
- S690
РТО 03 має пневматичний робочий тиск 7-12 Бар. Система управління КВП РТО 03 – повітряна. Обертовий момент сягає 230 Nm. Потужність – 25.7 Kw. Швидкість обертання на виході становить 500 об/хв.
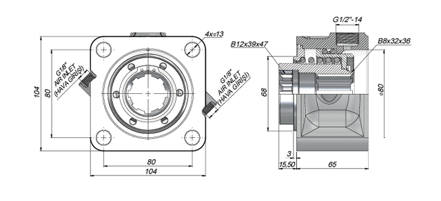
Приєднувальні розміри КВП РТО 03 для гідравліки
РТО 03 має кріплення на 4 отвори діаметром 13 мм. Міжосьова відстань між отворами 80х80 мм. Ширина корпуса – 65 мм. Висота корпуса – 104 мм. Довжина корпуса – 104 мм.

Де купити РТО 03 в Україні?
Придбати коробку відбору потужності PTO 03 турецького виробника Kazel рекомендуємо в українській компанії «ГІДРО-ГІД». Ми маємо оптовий склад, який налічує більше ніж 85 000 товарів та більше 3600 задоволених клієнтів. Зручні умови доставки для кожного. А також приємні ціні на продукцію, які відповідають належній якості.
Для оформлення замовлення звертайтеся за номером, який представлений на нашому сайті або натискайте «Кнопку зв’язку» і ми самотійно Вам зателефонуємо.