Насос аксіально-поршневий BHV21816EN (60 см3)
| Робочий об'єм | 60 см3 |
| Максимальний тиск | 450 Бар |
| Оберти | до 1600 об/хв |
Гідронасос на КВП BHV21816EN
Аксіально-поршневий гідравлічний, одноконтурний насос BHV21816EN виробництва португальської компанії ABER, призначений для подачі гідравлічної рідини та тиску в гідросистемах. Компанія займається виробництвом гідравліки на спецтехніку та вантажні автомобілі. Зарекомендувала себе на європейському ринку, як лідер, який приділяє багато уваги до якості та точності обробки в процесі виробництва.
BHV21816EN за своєю конструкцією та габаритами має не велику вагу, але при цьому зберігає свою міцність. Вал оснащений радіальними та радіально-упорними підшипниками високої якості, що дозволяє витримувати високі навантаження. Дана модель демонструє відмінну продуктивність з низьким рівнем шуму та плавною подачею масла, завдяки спеціальному типу плунжерної пари. Є повним аналогом до аксіально-поршневих насосів компаній Bosch Rexroth, Parker, Sunfab, Kazel, OMFB. Встановлюється на коробки відбору потужності (КВП) вантажних автомобілів, автомобільних кранів, спецтехніки, маніпуляторів. Рідше встановлюється на сільськогосподарську техніку.
Технічні характеристики гідравлічного насосу BHV21816EN
Аксіально-поршневий гідравлічний насос, серії BHV, з робочим об’ємом 60 см3/об. Номінальний робочий тиск – 400 бар, а максимальний піковий, що може реалізувати насос короткочасно – 450 бар. Частота обертання насосу від 200 до 1600 об/хв. Напрямок обертання насосу повинно відповідати напрямку обертання КВП. За звичай, ABER постачає насоси з лівим обертанням валу, але дуже просто його змінити на праве обертання. Вага гідроапарату складає 16 кг. Використовувати з мінеральним гідравлічним маслом.
Увага! Для того, щоб розрахувати необхідну подачу Q л/хв, потрібно, робочий об’єм насосу Vн см3 помножити на частоту обертання n об/хв силової установки, яка приводить в дію насос. Наприклад, частота обертання 1500 об/хв, то 32*1,5= 48 л/хв.
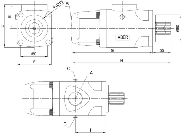
Приєднувальні розміри
Як говорилося вище, насос встановлюється на КВП, тому приєднувальний фланець квадратного типу на 4 отвори кріплення, діаметром 13 мм. Міжосьова відстань між отворами складає 80х80 мм. Діаметр замка фланця становить 80 мм. Вал – шліцьовий, В8х32х36 (8 шліців, діаметр валу 36 мм), виконано за стандартом DIN 5462. Приєднання в систему різьбове, за допомогою фітингів. Всмоктувальний отвір – 1 1/2” BSP, а порт тиску – 1” BSP.

| A | B | D | E | F | G | H | I |
| 1" 1/2 | 1" | 148 мм | 72 мм | 118 мм | 259 мм | 314 мм | 118 мм |
Де купити насос гідравлічний на КВП BHV21816EN?
Купити ABER BHV21816EN в Україні можливо замовивши на сайті компанії «Гідро-Гід» або зателефонувавши за номером телефона, що розміщено на сайті. Професійні інженери виконають підбір гідрообладнання, проконсультують і запропонують оптимальне рішення для Вашої задачі.
- Виробник Aber
- Робочий тиск, Бар 450
- Робочий об'єм, см3 60