Насос-дозатор BQAS1-200/500-A14-Y-P
НАСОС-ДОЗАТОР BQAS1-200/500-A14-Y-P MOZIONI
Насос - дозатор BQAS1-200/500-A14-Y-P італійського виробництва Oleodinamica Mozioni є гідрорулем, де швидкість обертання не залежить під об'єму. Гідравлічний насос має компактні розміри, можливість автономного саморегулювання та аварійно-ручного керування з малим ходом.
Виробник має широку лінійку товарів такі як: клапани, гідророзподільники, насоси, гідромотори, монтажні плита та багато іншого. Ми довіряємо Mozioni вже не один рік, а також нашим експертам подобається їхня продукція, адже вона є довговічною.

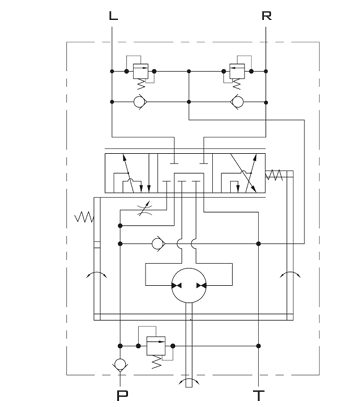
(позначення на гідравлічній схемі)
ЗАСТОСУВАННЯ BQAS1-200/500-A14-Y-P
Насос-дозатор BQAS1-200/500-A14-Y-P застосовується на наступній техніці:
- Трактори: ХТЗ-150К, ХТЗ-170, ХТЗ-171, ХТЗ-172
- Погрузчики: Т-15
ТЕХНІЧНІ ХАРАКТЕРИСТИКИ BQAS1-200/500-A14-Y-P ДЛЯ ГІДРОСИСТЕМИ
Насос-дозатор має максимальну пропускну здатність 50 л/хв. Максимальний тиск - 175 Бар. Робочий об'єм - 200 см³. Максимальний крутний момент - 130 Н*м. Вага - 6.5 кг.
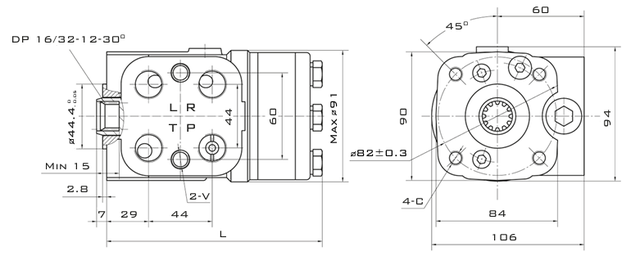
ПРИЄДНУВАЛЬНІ РОЗМІРИ BQAS1-200/500-A14-Y-P
BPBS1-160-A15-Y-P має довжину корпусу(L) - 149 мм. Ширина корпусу - 106 мм. Висота корпусу - 94 мм. Приєднання: порти P, T, L, R - M20×15(15мм); порт G - М10×1.5 (17 мм); порт V - M12 (16 мм).

ДЕ КУПИТИ BQAS1-200/500-A14-Y-P ДЛЯ ГІДРАВЛІКИ?
Насос - дозатор BQAS1-200/500-A14-Y-P італійського виробництва Oleodinamica Mozioni рекомендуємо придбати в українській компанії "ГІДРО-ГІД". Нам важливо, щоб Ваші гідросистеми відмінно функціонували, тому ми маємо лише високоякісні товари.
Для замовлення звертайтеся за номером, який представлений на нашому сайті або залишайте свій у вікні "Кнопка зв'язку" та ми оперативно Вам зателефонуємо.
- Виробник Mozioni
- Робочий об'єм, см3 200