Зворотний клапан VSBF 1/2" OMS
КЛАПАН VSBF 1/2" OMS ДЛЯ ГІДРОМОТОРІВ DANFOSS СЕРІЇ OMS
Зворотний клапан VSBF 1/2" OMS від Oleodinamica Marchesini – це клапан італійського виробництва, який дозволяє вільний потік робочої рідини в одному напрямку та блокує його в протилежному DANFOSS серії OMS.

(Позначення на гідравлічній схемі)
Oleodinamica Marchesini – виробник найрізноманітніших різновидів, модифікацій і типорозмірів гідравлічних клапанів. Їхні комплектуючі розроблені за всими европейськими стандартами, що дозволить ідеально функціонувати Вашій системі.
ТЕХНІЧНІ ХАРАКТЕРИСТИКИ VSBF 1/2" OMS ДЛЯ ГІДРАВЛІКИ
Клапан VSBF 1/2" OMS виготовлений із оцинкованої сталі, а його внутрішні компоненти – термічно загартованої сталі. Тип монтажу – трубний, різьбовий. Пропускна здатність – 40 л/хв. Максимальний тиск – 300 Бар.
| Максимальна пропускна здатність | 40 л/хв |
| Максимальний тиск | 300 Бар |
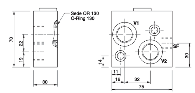
ПРИЄДНУВАЛЬНІ РОЗМІРИ КЛАПАН VSBF 1/2" OMS
Зворотний клапан VSBF 1/2" OMS має наступні приєднувальні розміри:
- Висота корпуса – 70 мм.
- Довжина корпуса – 75 мм.
- Ширина корпуса –30 мм.
- Різьба (V1-V2) – G1/2”; (SF) - G1/4.
- Вага – 1.018 кг.
ДЕ КУПИТИ VSBF 1/2" OMS?
Купити VSBF 1/2" OMS від Oleodinamica Marchesini на території України рекомендуємо в компанії «ГІДРО-ГІД». Ми завжди готові підібрати гідрокомпоненти для Вашої системи за необхідними критеріями. Впевнені, що гідросистема тоді буде функціонувати ідеально.
Оформити замовлення можна за номером, який представлений на сайті або за допомогою «Кнопки зв’язку».
- Виробник Oleodinamica Marchesini
- Максимальний робочий тиск, Бар 300
- Пропускна здатність, л/хв 40
- Тип монтажа Трубний
- Різьба 1/2" BSP
