Насос аксіально-поршневий регулюючий PA10VSO45DFR1/31R-PPA12N00
Насос аксіально-поршневий регульований Bosch Rexroth A10VSO45DFR1/31R-PPA12N00
Насос аксіально-поршневий регульований PA10VSO45DFR1/31R-PPA12N00 тайванського виробництва YEOSHE, призначений для створення направленого потоку рідини та тиску в гідросистемі. YEOSHE надійний постачальник гідравлічних насосів та машин, який зарекомендував себе на ринку високою якістю та надійною експлуатацією гідроапаратів. Всі технологічні та операційні процедури сертифіковані за стандартом ISO 9001-2008.
За своєю конструкцією, даний гідроапарат може витримувати високі радіальні та осьові навантаження на вал. Досягнуто це, завдяки підсиленим підшипникам та хорошої сталі, яка заздалегідь перевірена на всі показники.PA10VSO45DFR1/31R-PPA12N00 є повним аналогом аксіально-поршневих апаратів компанії Bosch Rexroth A10VSO45DFR131/RVPA12N00. Може застосовуватися на транспортних засобах, станках, маніпуляторах та навантажувачах.
Технічні характеристики PA10VSO45DFR1/31R-PPA12N00
Регульований аксіально-поршневий насос з робочим об’ємом 45 см3, мінімальний робочий тиск складає 280 бар, максимальний (піковий) – 350 бар. Робочі оберти насосу від 2600-3100 об/хв, обертання – правого напрямку. Ущільнення насосу – NBR. Рекомендована гідравлічна рідина – мінеральне масло.
Увага! Для того, щоб розрахувати необхідну подачу Q л/хв, потрібно, робочий об’єм насосу Vн см3 помножити на частоту обертання n об/хв силової установки, яка приводить в дію насос. Наприклад, частота обертання 2400 об/хв, то 45*2,4=108 л/хв.
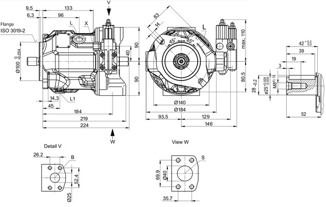
Приєднувальні розміри
Дана модель виконана з стандартним шліцьовим валом (ANSI B92.1a) та фланцем «овального» типу на 2 отвори (ISO 3019-2 (Metric)) з міжосьовою відстанню – 140 мм. Приєднання до портів насосу відбувається за допомогою фланців.

Де купити насос гідравлічний PA10VSO45DFR1/31R-PPA12N00?
Купити YEOSHE PA10VSO45DFR1/31R-PPA12N00 в Україні можливо замовивши на сайті компанії «Гідро-Гід» або зателефонувавши за номером телефона, що розміщено на сайті. Професійні інженери виконають підбір гідрообладнання і запропонують оптимальне рішення для Вашої задачі.
- Виробник Yeoshe
- Робочий тиск, Бар 280
- Робочий об'єм, см3 45
- Кількість потоків Однопоточний