Кнопка управління пневматикою ABCD73
Кнопка керування ABCD73 ABER
Кнопка ABCD73 португальського виробництва ABER створена для керування коробкою відбору потужності та гідравлічною системою самостида.
Компанія ABER є експертом та одним з основних виробників у галузі виробництва гідравлічних компонентів для мобільної гідравліки, яка використовується на комунальній техніці, кранах та самоскидах. Заснований в Майа (Португалія) в 1972 році завод ABER, займаючи площу 7300 квадратних метрів, виробляє широкий асортимент продукції: насоси, мотори, коробки відбору потужності, мінігідростанції та інші комплектуючі. У своєму виробництві ABER використовує найкраще виробниче обладнання, висококваліфікований персонал, сучасні методи контролю якості та користується заслуженою повагою до клієнтів та постачальників.
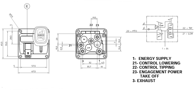
Приєднувальні розміри кнопка керування ABCD73 для гідравліки
Кнопка керування ABCD73 має ричаг для керування коробкою відбору потужності та наступні розміри:


Де купити кнопку керування ABCD73?
Купити кнопку керування ABCD73 рекомендуємо в українській компанії "ГІДРО-ГІД". Ми працюємо заради ідеальної роботи Ваших гідравлічних систем та маємо лише найякісніші комплектуючі. Наші партнери також обирають нас через високий рівень відповідальності та досвідченость працівників.
Для оформлення замовлення звертайтеся за номером, який представлений на нашому сайті.