Коробка відбору потужності TF19001P
Коробка відбору потужності TF19002P від Aber
Коробка відбору потужності TF19002P від португальського виробника Aber застосовується для передачі потужності обертового моменту від двигуна автомобіля до гідронасоса. Застосовується на вантажiвках МАЗ 236 ISO7653.
Компанія ABER є експертом та одним з основних виробників у галузі виробництва гідравлічних компонентів для мобільної гідравліки, яка використовується на комунальній техніці, кранах та самоскидах. Заснований в Майа (Португалія) в 1972 році завод ABER, займаючи площу 7300 квадратних метрів, виробляє широкий асортимент продукції: насоси, мотори, коробки відбору потужності, мінігідростанції та інші комплектуючі. У своєму виробництві ABER використовує найкраще виробниче обладнання, висококваліфікований персонал, сучасні методи контролю якості та користується заслуженою повагою до клієнтів та постачальників.
Технічні характеристики TF19002P для гідравліки
| Постійний крутний момент | 320 Н*м |
| Переривчастий крутний момент | 400 Н*м |
| Потужність(при 1000 об/хв) | 35 кВт |
| Напрямок обертання насосу | Лівий |
| Вага | 9 кг |
| Внутрішнє співвідношення | 1:1.32 |
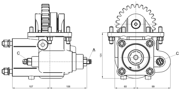
Приєднувальні розміри КВП TF19002P для гідросистеми
TF19002P має кріплення на 4 отвори. Ширина корпуса – 159 мм. Висота корпуса – 131 мм. Довжина корпуса – 213 мм.

Де купити TF19002P в Україні?
Придбати коробку відбору потужності TF19002P португальського виробника Aber рекомендуємо в українській компанії «ГІДРО-ГІД». Ми маємо оптовий склад, який налічує більше ніж 85 000 товарів та більше 3600 задоволених клієнтів. Зручні умови доставки для кожного. А також приємні ціні на продукцію, які відповідають належній якості.
Для оформлення замовлення звертайтеся за номером, який представлений на нашому сайті або натискайте «Кнопку зв’язку» і ми самотійно Вам зателефонуємо.