Зубчата передача РТО KM6004-6/ZT10005 (KM6004-6A) для насосів 2 групи
Зубчата передача РТО KM6004-6/ZT10005 (KM6004-6A) від Oleodinamica Mozioni
Зубчата передача KM6004-6/ZT10005 (KM6004-6A) від Oleodinamica Mozioni(Італія) для шестеренних насосів 2 групи, передаточне число 1:3.8. Дозволяє збільшити кількість обертів привідного валу згідно свого передаточного числа. З допомогою мультиплікатору виробнитцта Oleodinamica Mozioni Ви можете легко встановити гідравліку на техніку (мобільна або сільхоз).
Італійська компанія Oleodinamica Mozioni була створена трохи більше десяти років тому і за цей час встигла здобути гарну репутацію серед замовників гідравлічного обладнання. Спеціалізується на виробництві гідророзподільного обладнання (розподільників тиску та витрати), монтажних плит для них, шестеренних та аксіально-поршневих насосів та двигунів, манометрів та перемикачів для манометрів.
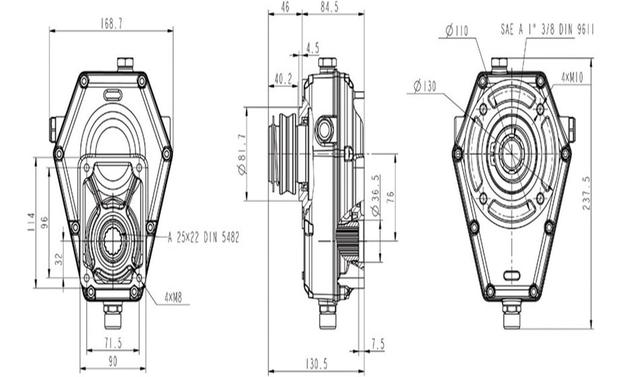
Приєднувальні розміри KM6004-6/ZT10005 (KM6004-6A) для гідросистеми
KM6004-6/ZT10005 (KM6004-6A) має дві шестерні, де перша більша від другої в 3 рази. З одного боку зубчастої передачі встанолюють ВВП, а з іншої насос. Фланець прямокутний. Має додатковий отвір, який для змащування шестерен та вказівник рівня. Для правильної роботи треба завжди перевіряти рівень змащувальної рідини, кожні 50 годин робити.

Де купити РТО KM6004-6/ZT10005 (KM6004-6A) в Україні?
Купити зубчасту передачу РТО KM6004-6/ZT10005 (KM6004-6A) від Oleodinamica Mozioni рекомендуємо в українській компанії "ГІДРО-ГІД". Саме наші гідравлічні професіонали зможуть допомогти Вам з підбором РТО згідно Ваших вимог та потреб. Ми маємо лише високоякісну продукцію та приємні ціні, а також радуємо наших клієнтів доставкою замовлення в найкоротші терміни та зручними умовами оплати.
Для уточнення деталей чи оформлення замовлення, звертайтеся за номером, який представлений на нашому сайті.