Гидромотор ОМS 125 см3 (BM3Y)
Гидромотор BM3Y125P10AYT11
Гидромотор BM3Y125P10AYT11 производства итальянской компании Oleodinamica Mozioni, представляет собой устройство для превращения энергии жидкости в механическую энергию, приводящее в действие рабочий орган машины через вал гидромотора. Компания Mozioni была создана не так давно, но в короткие сроки смогла завоевать на европейском рынке место лидера. Она занимается производством гидравлических насосов, клапанов, манометров и распределителей разных размеров и способов монтажа. Вся продукция производится по последним нормам и проходит полное тестирование на заводе.
BM3Y125P10AYT11 относится к героторным гидравлическим моторам и является бюджетным аналогом к моторам производителей M+S Hydraulic MS125C/4 и Sauer Danfoss OMS 125 151F-0502. Малошумный с небольшими габаритными размерами и хорошими показателями производительности. Благодаря высоким показателям крутящего момента данная модель часто применяется на конвейерах, сельскохозяйственной и специальной технике, а также на другом оборудовании.
Технические характеристики гидромотора BM3Y125P10AYT11
Гидравлический мотор с героторной парой, рабочий объем 125.7 см3/об. Частота вращения двигателя составляет 600 об/мин, при этом необходимо создать подачу масла в 75 л/мин соответственно. Рабочее давление 230 бар, при этом мощность на валу – 18 кВт. Следует обратить внимание, что максимальное рабочее давление и допустимый перепад давления на входе и выходе двигателя могут отличаться, поэтому в некоторых случаях необходимо обеспечить подпор на сливе из двигателя. Максимальный крутящий момент – 310 Н*м. Мотор хорошо реализует свои параметры при использовании минерального гидравлического масла. Вес гидромотора – 10.4 кг.

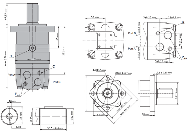
Присоединительные размеры
BM3Y125P10AYT11 имеет квадратный фланец на 4 отверстия крепления (диаметром 13,5 мм) с межосевым расстоянием 106,4 мм. Диаметр замка фланца 82,5мм. Вал – цилиндрический под призматическую шпонку, диаметр 32 мм, длина вала 56,5 мм. Присоединение в линию осуществляется с помощью резьбовых боковых портов – напорные порты G1/2” BSP, а порт слива масла в бак – G1/4” BSP. Есть возможность присоединиться к линии с помощью фланцев.

Где купить гидромотор аналог Sauer Danfoss OMS 125 151F-0502?
Купить Oleodinamica Mozioni BM3Y125P10AYT11 в Украине можно заказав на сайте компании «Гидро-Гид» или позвонив по телефону, размещенному на сайте. Профессиональные инженеры выполнят подбор гидрооборудования, проконсультируют и предложат оптимальное решение для Вашей задачи.
- Производитель Mozioni
- Тип Героторные
- Серия OMS (MS)
- Рабочее давление, Бар 205
- Рабочий объем, см3 125,7
- Максимальный крутящий момент, Н*м 355
- Максимальная мощность, кВт 18
- Тип вала Цилиндрический под шпонку