Гидромотор MT400C (304 об/мин)
Гидромотор MT400C (304 об/мин)
Гидравлический мотор MT400C производства болгарской компании M+S Hydraulic, предназначенный для превращения энергии рабочей жидкости в механическую энергию, передаваемую через вал исполнительным органам. M+S Hydraulic занимается производством гидравлических моторов и дозаторов. Вся продукция высокого качества благодаря контролю во время каждого производственного процесса, полное тестирование и проверка промежуточных продуктов и конечных продуктов выполняются высококвалифицированным персоналом. MT400C является полным аналогом к гидравлическим героторным моторам производителя Sauer Danfoss OMT 400 151B-3004. Устанавливается MT400C чаще всего на конвейеры, дорожно-строительную технику, реже текстильные машины и станки по обработке металлов.
Технические характеристики аналога Danfoss OMТ400
Гидравлический мотор с героторным паром, рабочий объем 410.9 см3/об. Максимальная частота вращения двигателя составляет 304 об/мин, при этом необходимо создать подачу масла в 125л/мин соответственно. Рабочее давление до 210 бар, максимальная мощность на валу – 30 кВт. Мотор хорошо реализует свои рабочие параметры при использовании минерального гидравлического масла и рабочей температуры от -40 до 140℃. Вес гидромотора – 23 кг.

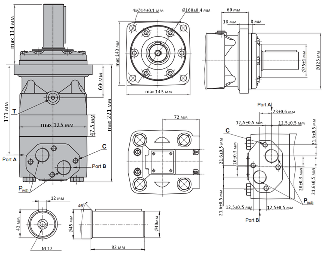
Присоединительные размеры
MT400C стандартного исполнения имеет квадратный фланец на 4 крепежных отверстия диаметром 14 мм, межосевое расстояние которых составляет 112 мм. Габариты фланца 143х143 мм. Диаметр замка фланца – 125 мм. Вал мотора цилиндрический, диаметром 40 мм под шпонку. Длина вала – 82 мм. Присоединение мотора к линии можно осуществить как с помощью фланцев (крепление болтами М10 10 мм), так и резьбовых адаптеров. Порты давления имеют резьбу G3/4” BSP, а порт слива масла в бак – G1/4” BSP.

Где купить болгарский гидромотор MT400C ?
Купить M+S Hydraulic MT400C в Украине можно заказав на сайте компании «Гидро-Гид» или позвонив по номеру телефона, размещенному на сайте. Профессиональные инженеры выполнят подбор гидрооборудования, проконсультируют и предложат оптимальное решение для Вашей задачи.
- Производитель M+S Hydraulic
- Серия ОМТ (МТ)
- Рабочее давление, Бар 210
- Рабочий объем, см3 410,9
- Максимальный крутящий момент, Н*м 390
- Максимальная мощность, кВт 30