Клапан тормозной для гидромотора VBCDF 1/2" DE OMP/OMR
ТОРМОЗНОЙ КЛАПАН VBCDF DE ДЛЯ ГИДРОМОТОРОВ DANFOSS СЕРИИ OMP И OMR
Тормозной клапан VBCDF 1/2" DE OMP/OMR от Oleodinamica Marchesini является клапаном для гидромоторов DANFOSS серии OMP и OMR. Применяется для управления движением и блокировки гидромотора в обоих направлениях. Осуществляет плавное контролируемое опускание груза. Не допускает кавитаций мотора.

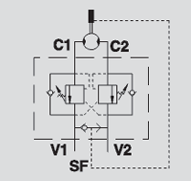
(Обозначение на гидравлической схеме)
Продукция от итальянской компании Oleodinamica Marchesini гарантирует максимальную безопасность и компактность монтажа. Нам нравятся их гидрокомпоненты, ведь каждый из клапанов, монтажных плит, выключателей, регуляторов и др. имеют широкий спектр типоразмеров и технических характеристик, что позволяет подобрать товар под любую гидросистему.
ТЕХНИЧЕСКИЕ ХАРАКТЕРИСТИКИ VBCDF 1/2" DE OMP/OMR

Клапан VBCDF 1/2" DE OMP/OMR имеет корпус из оцинкованной стали. Внутренние компоненты из закаленной стали. Уплотнение - BUNA N standart. Максимальное давление - 350 Бар. Максимальная пропускная способность - 50 л/мин.
Стандартная настройка давления – 320 Бар. Налаживание клапана должно быть по крайней мере в 1.3 раза выше давления, вызванного нагрузкой, чтобы позволить клапану закрыться, даже если подвергается давлению, соответствующему максимальной нагрузке.
| Серия | VBCDF DE |
| Расход | 50 л/мин |
| Максимальное давление | 350 Бар |
| Передаточное отношение | 1:4,5 |
ПРИСОЕДИНЯЮЩИЕ РАЗМЕРЫ VBCDF 1/2" DE OMP/OMR ДЛЯ ГИДРОСИСТЕМЫ
Длина корпуса VBCDF 1/2" DE OMP/OMR составляет 172 мм. Его высота - 94 мм, а ширина - 50 мм. Резьба - 1/2". Вес – 2.708 кг.

ГДЕ КУПИТЬ ТОРМОЗНОЙ КЛАПАН VBCDF 1/2" DE OMP/OMR?
Необходимо приобрести качественный и по доступной цене Overcenter - тормозной клапан VBCDF 1/2" DE OMP/OMR от итальянской компании Oleodinamica Marchesini, тогда рекомендуем выбрать украинскую компанию «ГИДРО-ГИД». Нас выбирают наши партнеры, ведь знают насколько ответственны наши профессионалы сотрудничество с каждым клиентом и выполнение названных Вами требований, мы обязательно найдем наилучшее решение для Ваших гидросистем.
Для оформления заказа оставляйте свой номер в окне «Кнопка связи» или звоните нам самостоятельно. С нетерпением ждем уведомления именно от Вас!
- Производитель Oleodinamica Marchesini
- Максимальное рабочее давление, Бар от 301
- Пропускная способность, л/мин 41-50
- Резьба 1/2" BSP
- Пропускная способность, л/мин 10
- Максимальное рабочее давление, Бар 250