Клапан гальмівний для гідромотора VBCDF 1/2" DE OMP/OMR
ГАЛЬМІВНИЙ КЛАПАН VBCDF DE ДЛЯ ГІДРОМОТОРІВ DANFOSS СЕРІЇ OMP І OMR
Гальмівний клапан VBCDF 1/2" DE OMP/OMR від Oleodinamica Marchesini є клапаном для гідромоторів DANFOSS серії OMP та OMR. Застосовується для керування рухом і блокування гідромотору в обох напрямках. Здійснює плавне контрольоване опускання вантажу. Не допускає кавітації мотору.

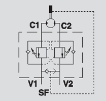
(Позначення на гідравлічній схемі)
Продукція від італійської компанії Oleodinamica Marchesini гарантує максимальну безпеку та компактність монтажу. Нам подобаються їхні гідрокомпоненти, адже кожний із клапанів, монтажних плит, вимикачів, регулюторів та ін., мають широкий спектр типорозмірів та технічних характеристик, що дозволяє підібрати товар під будь-яку гідросистему.
ТЕХНІЧНІ ХАРАКТЕРИСТИКИ VBCDF 1/2" DE OMP/OMR

Клапан VBCDF 1/2" DE OMP/OMR має корпус із оцинкованої сталі. Внутрішні компоненти з загартованої сталі. Ущільнення - BUNA N standart. Максимальний тиск - 350 Бар. Максимальна пропускна здатність - 50 л/хв.
Стандартне налаштування тиску - 320 Бар. Налагтування клапана має бути принаймні в 1.3 рази вищим за тиск, викликаний навантаженням, щоб дозволити клапану закритися, навіть якщо піддається тиску, що відповідає максимальному навантаженню.
| Серія | VBCDF DE |
| Витрата | 50 л/хв |
| Максимальний тиск | 350 Бар |
| Передаточне ставлення | 1:4,5 |
ПРИЄДНУВАЛЬНІ РОЗМІРИ VBCDF 1/2" DE OMP/OMR ДЛЯ ГІДРОСИСТЕМИ
Довжина корпусу VBCDF 1/2" DE OMP/OMR складає 172 мм. Його висота - 94 мм, а ширина - 50 мм. Різьба - 1/2". Вага - 2.708 кг.

ДЕ КУПИТИ ГАЛЬМІВНИЙ КЛАПАН VBCDF 1/2" DE OMP/OMR?
Необхідно придбати якісний та по доступній ціні Overcenter - гальмівний клапан VBCDF 1/2" DE OMP/OMR від італійської компані Oleodinamica Marchesini, тоді рекомендуємо обрати українську компанію «ГІДРО-ГІД». Нас обирають наші партнери, адже знають наскільки відповідально наші професіонали ставляться до співпраці з кожним клієнтом та до виконання названих Вами вимог. Ми обов'язково знайтемо найкраще рішення для Ваших гідросистем.
Для оформлення замовлення залишайте свій номер телефону у вікні «Кнопка зв’язку» або телефонуйте нам самостійно. З нетерпінням чекаємо повідомлення саме від Вас!
- Виробник Oleodinamica Marchesini
- Максимальний робочий тиск, Бар від 301
- Пропускна здатність, л/хв 41-50
- Різьба 1/2" BSP
- Пропускна здатність, л/хв 10
- Максимальний робочий тиск, Бар 250