Коробка отбора мощности TF18002P
Коробка отбора мощности TF18002P от Aber
Коробка отбора мощности TF18002P от португальского производителя Aber применяется для передачи мощности крутящего момента от двигателя автомобиля к гидронасосу. Применяется на Камаз 14 и 15.
Компания ABER является экспертом и одним из основных производителей в области производства гидравлических компонентов для мобильной гидравлики, используемой на коммунальной технике, кранах и самосвалях. Основанный в Майа (Португалия) в 1972 году, завод ABER, занимая площадь 7300 квадратных метров, производит широкий ассортимент продукции: насосы, моторы, коробки отбора мощности, минигидростанции и другие комплектующие. В своем производстве ABER использует лучшее производственное оборудование, высококвалифицированный персонал, современные методы контроля качества и пользуется заслуженным уважением к клиентам и поставщикам.
Технические характеристики TF18002P для гидравлики
| Постоянный крутящий момент | 320 Н*м |
| Прерывистый крутящий момент | 400 Н*м |
| Мощность (при 1000 об/мин) | 35 кВт |
| Направление вращения насоса | Правое |
| Вес | 13 кг |
| Внутреннее соотношение | 1:0.690 |
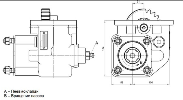
Присоединительные размеры КОМ TF18002P для гидросистемы
TF18002P имеет крепление на 4 отверстия диаметром 13 мм. Межосевое расстояние между отверстиями 80х80 мм. Ширина корпуса – 158 мм. Высота корпуса – 154 мм.

Где купить TF18002P в Украине?
Купить коробку отбора мощности TF18002P португальского производителя Aber рекомендуем в украинской компании «ГИДРО-ГИД». Мы имеем оптовый склад, который насчитывает более 85 000 товаров и более 3600 довольных клиентов. Удобные условия доставки для каждого. А также приятные цены на продукцию, соответствующие надлежащему качеству.
Для оформления заказа обращайтесь по номеру, представленному на нашем сайте или нажимайте «Кнопку связи» и мы самостоятельно позвоним Вам.