Гидрораспределитель с пневмоуправлением KZL FRH 180 (VFR180) аналог HYVA
Гидрораспределитель замкнутого цикла KAZEL FRH 180
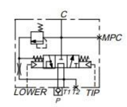
Гидрораспределитель с пневмоуправлением FRH 180 турецкого производства Kazel является аналогом HYVA. У него есть пневматическое управление. Применяется для управления движением исходного потока путем направления потока рабочей жидкости в гидроцилиндр. В нейтральном положении масло движется с подачи на слив и циркулируется по кругу. При подаче давления воздуха к распределителю открывается рабочая линия к гидроцилиндру.

(Обозначение на гидравлической схеме)
Мы ценим заключённые договоры при партнерских отношениях с Kazel, поскольку они имеют высокое качество товаров, что является главным для нашей компании. Также, наши клиенты понравились их продукции через широкую линейку продукции, которая позволяет собрать гидросистему от единственного производителя. Они имеют гидрораспределители, коробки отбора мощности, гидронасосы, валы, фитинги и многое другое.
Технические характеристики FRH 180 для гидросистемы
Гидрораспределитель FRH 180 с пневматическим управлением имеет пропускную способность – 180 л/мин. Максимальное давление рабочей жидкости достигает 350 бар. Пневматическое рабочее давление составляет 7-12 Бар. Рекомендованная температура масла в гидросистеме составляет от -10 до +80 °С.
| Пропускная способность | 180 л/мин |
| Максимальное давление | 350 Бар |
| Пневматической рабочее давление | 7-12 Бар |
Присоединительные размеры KZL FRH 180
FRH 180 имеет длину корпуса 283,50 мм. Высота корпуса с портом для подсоединения насоса – 127,50 мм. Ширина корпуса составляет 75 мм. Порт для подсоединения к насосу имеет резьбу G 1”. Порт для подсоединения к баку имеет резьбу G 1/2”.
Более подробная информация о каждом из портов приведена на рисунке ниже.

Где купить гидрораспределитель FRH 180 от Kazel?
Гидрораспределитель с пневмоуправлением FRH 180 турецкого производства Kazel рекомендуем приобрести в украинской компании ГИДРО-ГИД. Мы не только производим маслостанции, компрессоры, испытательные стенды и другие гидросистемы, но и являемся надежный поставщиком гидравлического оборудования. Уверены, что каждый из Вас после того как получит свой заказ удобным для Вас перевозчиком, вернется к нам снова, ведь у нас есть только качественные комплектующие, иногда даже редкие.
Для оформления заказа обращайтесь по номеру, представленному на нашем сайте или пользуйтесь «Кнопкой связи».
- Пропускная способность, л/мин 180