Клапан PRT80/4 для тракторов ХТЗ-121, ХТЗ-16131, ХТЗ-16331
Клапан приоритета PRT80/4 M+S HYDRAULIC
Приоритетные клапаны M+S Hydraulic распределяют и отслеживают гидравлический поток от насоса питания гидравлической системы до гидравлических компонентов, управляющих и управляющих транспортным средством. Приоритетные клапаны используются только с насосом-дозатором HKUS.
При соединении узел рулевого управления и приоритетный клапан представляют собой сложную систему гидравлической трассировки, контролирующую поток в обоих магистральных трубопроводах гидросистемы (рабочем и управляющем) в любое время ее работы.

(обозначение на гидравлической схеме)
M+S Hydraulic – один из ведущих болгарских производителей, основанный в 1963 году. С 1972 года M+S Hydraulic специализируется на производстве гидравлического оборудования. В 1995 году компания, которая была первой в Болгарии, получила сертификат качества в соответствии с требованиями международных стандартов ISO 9001:1994.
ПРИМЕНЕНИЕ PRT80/4 В ГИДРАВЛИКЕ
PRT80/4 наиболее распространены среди следующих моделей тракторов:
- ХТЗ-121,
- ХТЗ-16131,
- ХТЗ-16331.
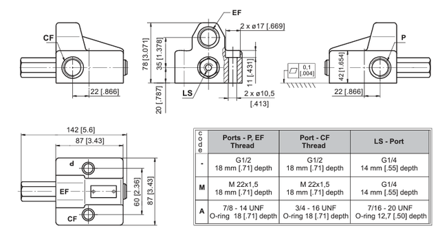
ПРИСОЕДИНЯЮЩИЕ РАЗМЕРЫ PRT80/4
- длина корпуса – 142 мм
- ширина корпуса - 87 мм
- высота корпуса - 78 мм
- порт М – М22х1.5
ГДЕ КУПИТЬ PRT80/4 ДЛЯ ГИДРАВЛИКИ?
Приоритетный клапан PRT80/4 болгарского производства M+S Hydraulic рекомендуем купить в украинской компании "ГИДРО-ГИД". Мы гордимся тем, что можем поставлять товары лучшего европейского качества для наших клиентов, а также радовать Вас удобными условиями доставки и оплаты гарантией 12 месяцев.
Для заказа обращайтесь по номеру, который представлен на нашем сайте или оставляйте свой в окне "Кнопка связи" и мы оперативно позвоним Вам.
- Производитель M+S Hydraulic