Розрахувати гідропривід

Гідромотор BM3-200 (аналог OMS 200)

Артикул: MI0014889
Гідромотор BM3-200 (аналог OMS 200)
Гідромотор BM3-200 (аналог OMS 200)
Гідромотор BM3-200 (аналог OMS 200)
Основні характеристики:
  • Виробник : Mozioni
  • Тип : Героторні
  • Серія : OMS (MS)
  • Робочий тиск, Бар : 205
  • Робочий об'єм, см3 : 200
  • Максимальний крутний момент, Н * м : 564
  • Максимальна потужність, кВт : 16,5
  • Тип валу : Циліндричний під шпонку
В наявності
Опт і роздріб
Направление вращения вала: Реверсивне

Гідромотор BM3Y200P10AYT11

Гідромотор BM3Y200P10AYT11 виробництва італійської компанії Oleodinamica Mozioni, являє собою пристрій для перетворення енергії рідини в механічну енергію, що приводить в дію робочий орган машини через вал гідромотору . Компанія Mozioni була створена не так давно, але за короткий термін змогла завоювати на європейському ринку місце лідера. Вона займається виробництвом гідравлічних насосів, клапанів, манометрів та розподільників різних розмірів та способів монтажу. Вся продукція виготовляється згідно останнім нормам та проходить повне тестування на заводі.

BM3Y200P10AYT11  відноситься до героторних гідравлічних моторів та є бюджетним аналогом до моторів виробників M+S Hydraulic MS200C/4 та Sauer Danfoss OMS 200 151F-0504. Малошумний з невеликими габаритними розмірами та хорошими показниками продуктивності. Завдяки високим показникам крутного моменту, дана модель часто застосовується на конвеєрах, сільськогосподарській та спеціальній техніці, а також на іншому обладнанні.

Технічні характеристики гідромотору BM3Y200P10AYT11

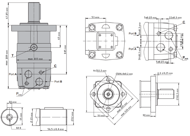
Гідравлічний мотор з героторною парою, робочий об’єм 200 см3/об. Частота обертання мотору становить 375 об/хв, при цьому необхідно створити подачу масла в 75 л/хв відповідно. Робочий тиск 205 бар, при цьому потужність на валу – 16.5 кВт. Варто звернути увагу, що максимальний робочий тиск та допустимий перепад тиску на вході та виході мотору можуть відрізняються, тому в деяких випадках необхідно забезпечити підпор на зливі з мотору. Максимальний крутний момент  - 564 Н*м. Мотор добре реалізує свої робочі параметри при використанні мінерального гідравлічного масла. Вага гідромотору – 11.2 кг.

 

Приєднувальні розміри

BM3Y200P10AYT11 має квадратний фланець на 4 отвори кріплення (діаметром 13,5 мм) з міжосьовою відстанню 106,4 мм. Діаметр замка фланця 82,5 мм. Вал – циліндричний під призматичну шпонку, діаметр 32 мм, довжина валу 56,5 мм. Приєднання в лінію здійснюється за допомогою різьбових бокових портів – напірні порти G1/2” BSP, а порт зливу масла в бак – G1/4” BSP. Є можливість приєднатися в лінію за допомогою фланців.

 

Де купити гідромотор аналог Sauer Danfoss OMS 200 151F-0504 ?

Купити Oleodinamica Mozioni BM3Y200P10AYT11 в Україні можливо замовивши на сайті компанії «Гідро-Гід» або зателефонувавши за номером телефона, що розміщено на сайті. Професійні інженери виконають підбір гідрообладнання, проконсультують і запропонують оптимальне рішення для Вашої задачі.

Основні характеристики
  • Виробник Mozioni
  • Тип Героторні
  • Серія OMS (MS)
  • Робочий тиск, Бар 205
  • Робочий об'єм, см3 200
  • Максимальний крутний момент, Н * м 564
  • Максимальна потужність, кВт 16,5
  • Тип валу Циліндричний під шпонку
Відгуків поки що немає
Залиште Ваш відгук