Гідромотор MP 32 CD/4 (32 см3)
Гідромотор MP 32 CD/4
Гідравлічний мотор MP 32 CD/4 виробництва болгарської компанії M+S Hydraulic, призначений для перетворення енергії робочої рідини в механічну енергію, яка передається через вал виконавчим органам. M+S Hydraulic займається виробництвом гідравлічних моторів та дозаторів. Вся продукція має високу якість завдяки контролю під час кожного виробничого процесу, повне тестування та перевірка проміжних продуктів та кінцевих продуктів виконуються висококваліфікованим персоналом, повною мірою використовуючи обладнання хімічної, метрологічної та металографічної лабораторії для забезпечення якості продукції, що виробляється.
MP 32 CD/4 є повним аналогом до гідравлічних героторних моторів виробника Sauer Danfoss OMР 32. Дана модель відзначилась високою продуктивністю, компактністю завдяки малим габаритам, а також малошумною роботою. Встановлюється MP 32 CD/4 частіше за все на конвеєри та сільськогосподарську техніку, рідше на текстильні машини та станки по обробці металів.
Технічні характеристики MP 32 CD/4
Гідравлічний мотор з героторною парою, робочий об’єм 34.5 см3/об. Частота обертання мотору становить 1450-1594 об/хв, при цьому необхідно створити подачу масла в 40-45 л/хв відповідно. Робочий тиск від 175 до 225 бар, потужність на валу – 5.8-7.8 кВт. Мотор добре реалізує свої робочі параметри при використанні мінерального гідравлічного масла та робочої температури його від -40 до 140℃. Вага гідромотору – 5,6 кг.

Приєднувальні розміри
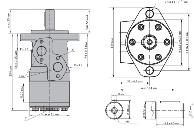
MP 32 CD/4 стандартного виконання має овальний фланець на 2 кріпильних отвори діаметром 13,35 мм, міжосьова відстань яких складає 106,4 мм. Діаметр замка фланця – 82,5 мм. Вал мотору циліндричний, діаметром 25 мм під призматичну шпонку. Довжина валу – 43,2 мм. Порти тиску різьбові, розміщені збоку на корпусі мотору – G1/2” BSP. Порт зливу масла до баку також різьбовий, який знаходиться на задній кришці мотору – G1/4” BSP.

Де купити гідромотор MP 32 CD/4?
Купити M+S Hydraulic MP 32 CD/4 в Україні можливо замовивши на сайті компанії «Гідро-Гід» або зателефонувавши за номером телефона, що розміщено на сайті. Професійні інженери виконають підбір гідрообладнання, проконсультують і запропонують оптимальне рішення для Вашої задачі.
- Виробник M+S Hydraulic
- Серія OMР (MР)
- Робочий тиск, Бар 225
- Робочий об'єм, см3 34.5
- Максимальний крутний момент, Н * м 390
- Максимальна потужність, кВт 7.8