Гідромотор MS100C (100 см3)
Гідромотор MS100C
Гідромотор MS100C виробництва болгарської компанії M+S Hydraulic, призначений для перетворення енергії тиску робочої рідини в крутний момент, який передається через вал мотору до виконавчих органів механізму. М+S Hydraulic – лідер у виробництві гідравлічних моторів та дозаторів на рульові механізми, який визнаний користувачами гідравліки у Європі. Вся продукція має великий ресурс напрацювання, завдяки відповідальному підходу до точності та якості в процесі виробництва. В даний час M+S Hydraulic сертифікована відповідно до останніх версій стандартів ISO 14001:2015 та ISO 45001:2018.
MS100C є аналогом до героторного гідромотору виробництва компанії Sauer Danfoss OMS 100. Дана модель має низький рівень шуму під час роботи, компакта за габаритними розмірами. Використовують такий гідромотор на конвеєрах, текстильних та металообробних станках. Часто встановлюють на сільськогосподарську техніку, дорожні машини та на техніку для скошування трави.
Технічні характеристики MS100C
Гідравлічний мотор з героторною парою, робочий об’єм 100 см3/об. Частота обертання мотору становить 750-900 об/хв, при цьому необхідно створити подачу масла в 75-90 л/хв відповідно. Робочий тиск від 230 до 300 бар, потужність гідромотору – 18-22,8 кВт. Мотор добре реалізує свої робочі параметри при використанні мінерального гідравлічного масла та робочої температури його від -40 до 140℃. Вага гідромотору – 10,1 кг.

Приєднувальні розміри
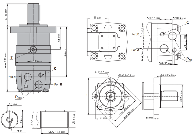
MS100C має квадратний кріпильний фланець на 4 отвори кріплення діаметром 13,5 мм. Міжосьова відстань між отворами складає 106,4 мм. Діаметр замка фланця - 82,5 мм. Вал мотору – циліндричний під призматичну шпонку, діаметр – 32 мм. Довжина валу (від торця до фаски) становить 56,5 мм. Приєднувальні порти знаходяться збоку на корпусі мотору. Підключення до портів тиску, може здійснюватися двома способами: фланцем або різьбовим адаптером G1/2” BSP. Зливний порт різьбовий, знаходиться також збоку на корпусі та має різьбу – G1/4” BSP.

Де купити гідромотор MS100C?
Купити M+S Hydraulic MS100C в Україні можливо замовивши на сайті компанії «Гідро-Гід» або зателефонувавши за номером телефона, що розміщено на сайті. Професійні інженери виконають підбір гідрообладнання, проконсультують і запропонують оптимальне рішення для Вашої задачі.
- Виробник M+S Hydraulic
- Серія OMS (MS)
- Робочий тиск, Бар 230
- Робочий об'єм, см3 100
- Максимальний крутний момент, Н * м 305
- Максимальна потужність, кВт 22.8