Гідророзподільник електромагнітний DKE-17119/X 24DC 20
Гідророзподільник електромагнітний DKE-17119/X 24DC 20 від ATOS ДУ 10
Гідророзподільник електромагнітний DKE-17119/X 24DC 20 італійського виробництва ATOS золотникового типу, прямої дії, двохмагнітний, 2 крайніх положення, без пружин. Застосовуються для контролю потоку, тиску та швидкості робочої рідини. Котушки захищенні температурним класом Н. Рухаючі деталі зануренні в робочу рідину. Система внутрішніх каналів максимально оптимізована та в залежності від віддалення від центру, гарантує зниження втрати тиску. Також можливе встановлення подовжувача для ручного керування з гумовою кнопкою для полегшення ручного перемикання, пристоя для регулювання часу перемикання та вставновлення зовнішнього дренажу по каналу Y при високому тискові.

(Позначення на гідравлічній схемі)
Нам подобається гідравліка від ATOS, оскільки вони мають великий ассортимент товару, де кожен із них є достойної якості та по приємній вартості. Виробник розробив свої гідророзподільники таким чином, що вони мають взаємозамінні котушки в залежності типу живлення DC і AC із широким діапазоном конфігурацій. Їхня продукція встановлюється на сучасній мобільній гідравліці тав промисловості.
ТЕХНІЧНІ ХАРАКТЕРИСТИКИ DKE-17119/X 24DC 20 ДЛЯ ГІДРОСИСТЕМИ
Гідророзподільник DKE-17119/X 24DC 20 має плитковий (стиковий) монтаж, що забезпечує легке встановлення в систему та невеликі габаритні розміри. DHІ має типорозмір (ДУ – 10). Катушки повністю герметичніі (клас Н) та їх можно замінити не використовуючи допоміжні інструменти. Ручне перемикання можливе, якщо встановити додаткові кнопки завдяки чому в електромагніті буде відбуваєтися контроль часу перемикання в обох напрямках внутрішнього золотника. Монтажна поверня – ISO 4401. Максимальна пропускна здатність – 150 л/хв. Максимальний тиск – 350 Бар. Напруга – 24 В.
| Максимальна пропускна здатність | 150 л/хв |
| Максимальний тиск | 350 Бар |
| Напруга | 24 В |
| ДУ | 10 |
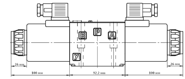
ПРИЄДНУВАЛЬНІ РОЗМІРИ DKE-17119/X 24DC 20
Електромагнітний гідророзподільник DKE-17119/X 24DC 20 має:
- Висоту корпуса – 105.5 мм.
- Довжину корпуса – 292.2 мм.
- Ширину корпуса – 70 мм.
- Вага – 5.7 кг.

Монтаж здійснюється за допомогою чотирьох гвинтів М6х60 Канали Р, А, В, Т з максимальним діаметром 11,5 мм.
Канал Р – напірний. А,В – робочі канали. Т – зливний канал.
ДЕ КУПИТИ DKE?
Купити електромагнітний гідророзподільник DKE італійського виробника ATOS рекомендуємо в українській компанії «ГІДРО-ГІД». Ми є патріотами свого народу, тому підклуємося про якість їхніх гідросистем, що можемо гарантувати. Якщо Вам терміново необхідно доставити комплектуючі, то ми зробимо це. Також можливе встановлення від наших майстрів.
Щоб оформити замовлення звертайтеся за номером, який представлений на нашому сайті або залишацте свій мобільний номер і ми в найкоротші терміни Вам зателефонуємо.
- Виробник Atos
- Тип Електромагнітні
- Пропускна здатність, л/хв 150
- Пропускна здатність, л/хв 150
- Максимальний робочий тиск, Бар 350
- Діаметр умовного проходу ДУ 10
