Overcenter - гальмівний (контрбаланс) клапан VBCD 1/2 SE/A CC (60 л/хв, G 1/2")
ГАЛЬМІВНИЙ КЛАПАН VBCD 1/2 SE/A CC НА 350 БАР
Гальмівний клапан VBCD 1/2 SE/A CC від італійської компанії Oleodinamica Marchesini, використовується для керування рухом та фіксацією приводу в одному напрямку, завдяки контрольованому спуску вантажу. Клапан не допускає кавітацій гідроприводу. Він не чутливий до зворотного тиску.

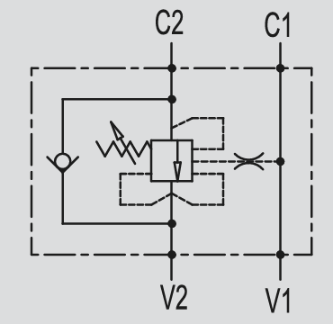
(Позначення на гідравлічній схемі)
Поряд зі своєю головною задачею, односторонній підпірний (Overcenter) клапан може застосовуватися в якості запірного елемента (гідрозамка), а також виконувати таку функцію, як обмеження тиску в лінії (з метою недопущення кавітації).
ТЕХНІЧНІ ХАРАКТЕРИСТИКИ VBCD 1/2 SE/A CC ГІДРОСИСТЕМИ

Корпус Overcenter вироблений з оцинкованої сталі, а його внутрішні компоненти – термічно загартованої та шліфованої сталі. Ущільнення – BUNA N standard, незначний витік. Рекомендована терпература робочої рідини становить 50°С.Максимальна витрата – 60 л/хв. Максимальний тиск – 350 Бар.
| Максимальна пропускна здатність | 60 л/хв |
| Максимальний тиск | 350 Бар |
ВСТАНОВЛЕННЯ VBCD 1/2 SE/A CC
Монтаж відбувається в лінії з гідроциліндром чи гідромотором за легким алгоритмом, для цього:
1. Підключіть порти V1 та V2 до потоку тиску.
2. Порт С1 та С2 підключити до виконавчого механізму (гідмотору чи гідроциліндра).
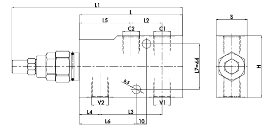
ПРИЄДНУВАЛЬНІ РОЗМІРИ VBCD 1/2 SE/A CC У ГІДРОСИСТЕМІ
VBCD 1/2 SE/A CC має такі основні розмірі:
- Висоту корпуса(H) – 60 мм.
- Довжина корпуса(L1) – 166 мм.
- Ширина корпуса(S) – 30 мм.
- Різьба(V1-V2, С1-С2) – G1/2”.
- Вага – 1,23 кг.
|
V1-V2 С1-С2 |
L | L1 | L2 | L3 | L4 | L5 | L6 | L7 | H | S |
| G1/2” | 100 | 166 | 36 | 65 | 20 | 50 | 57,5 | 44 | 60 | 30 |
ДЕ КУПИТИ ГАЛЬМІВНИЙ КЛАПАН VBCD 1/2 SE/A CC?
Купляти товари в ТОВ «ГІДРО-ГІД» максимально вигідно, адже якість відповідає вартості. Тож рекомендуємо придбати гальмівний клапан VBCD 1/2 SE/A CC саме в нас. Ми хвилюємося за кожного клієнта та прагнемо до відмінної роботи Вашої гідросистеми!
Щоб оформити замовлення телефонуйте нам самостійно або натискайте «Кнопку зв’язку» та якнайскоріше отримаєте зворотній зв’язок.
- Виробник Oleodinamica Marchesini
- Максимальний робочий тиск, Бар від 301
- Пропускна здатність, л/хв 51-70
- Тип монтажа Трубний
- Різьба 1/2" BSP
- Пропускна здатність, л/хв 10
- Максимальний робочий тиск, Бар 250
