Коробка відбору потужності PTO 014 (PT2ZFAS12WS)
Коробка відбору потужності PTO 014 від Kazel
Коробка відбору потужності PTO 014 від турецького виробника Kazel застосовується для передачі потужності обертового моменту від двигуна автомобіля до гідронасоса.
Ми довіряємо продукції турецької компанії Kazel вже дуже давно. Нам подобається якість їхніх товарів, а також широкий ассортимент товарів(коробки відбору потужності, вали, датчики, фітигни, гідророзподільники, гідронасоси, джойстики та ін.) Компанія заснована в 1982 році та заволоділа авторитет серед гідравлічних виробників.
Технічні характеристики РТО 014 для гідросистеми
Моделі коробки передач:
- ZF16S251-221-151-150-130, ZFS5
- AK
- 6S-120-111-110-92, GPZFS5
- 6S-90-80-70-66-65-55-50 42-36-35
- ZF 9S 75
- 9S109
- 16S109
- ZF AK 680
- AK 690
- S680
- S690
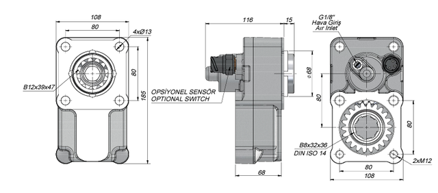
РТО 014 має пневматичний робочий тиск 7-12 Бар. Система управління КВП РТО 014 – повітряна. Обертовий момент сягає 300 Nm. Потужність – 22 Kw. Швидкість обертання на виході становить 700 об/хв. Напрямок обертання – лівий(проти годинникової стрілки).
Приєднувальні розміри КВП РТО 014 для гідравліки
РТО 014 має кріплення на 4 отвори діаметром 13 мм. Міжосьова відстань між отворами 80х80 мм. Ширина корпуса – 68 мм. Висота корпуса – 185 мм. Довжина корпуса – 108 мм.

Де купити РТО 014 в Україні?
Придбати коробку відбору потужності PTO 014 турецького виробника Kazel рекомендуємо в українській компанії «ГІДРО-ГІД». Ми маємо оптовий склад, який налічує більше ніж 85 000 товарів та більше 3600 задоволених клієнтів. Зручні умови доставки для кожного. А також приємні ціні на продукцію, які відповідають належній якості.
Для оформлення замовлення звертайтеся за номером, який представлений на нашому сайті або натискайте «Кнопку зв’язку» і ми самотійно Вам зателефонуємо.