Коробка отбора мощности PTO 014 (PT2ZFAS12WS)
Коробка отбора мощности PTO 014 от Kazel
Коробка отбора мощности PTO 014 от турецкого производителя Kazel применяется для передачи мощности крутящего момента от двигателя автомобиля гидронасосу.
Мы доверяем продукции турецкой компании Kazel уже очень давно. Нам нравится качество их товаров, а также широкий ассортимент товаров (коробки отбора мощности, валы, датчики, фитигны, гидрораспределители, гидронасосы, джойстики и др.). Компания основана в 1982 году и завладела авторитетом среди гидравлических производителей.
Технические характеристики РТО 014 для гидросистемы
Модели коробки:
• ZF16S251-221-151-150-130, ZFS5
• AK
• 6S-120-111-110-92, GPZFS5
• 6S-90-80-70-66-65-55-50 42-36-35
• ZF 9S 75
• 9S109
• 16S109
• ZF AK 680
• AK 690
• S680
• S690
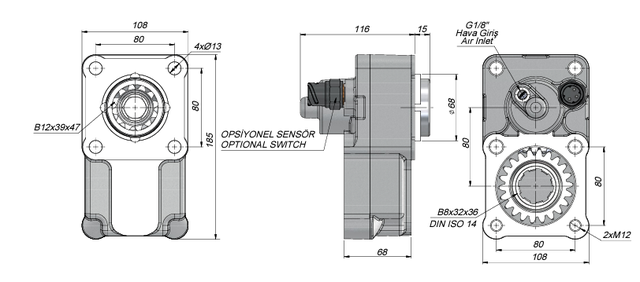
РТО 014 имеет пневматическое рабочее давление 7-12 бар. Система управления КИП РТО 014 – воздушная. Вращающийся момент достигает 300 Nm. Мощность – 22 Kw. Скорость вращения на выходе составляет 700 об/мин. Направление вращения – левое (против часовой стрелки).
Присоединительные размеры КОМ РТО 014 для гидравлики
РТО 014 имеет крепление на 4 отверстия диаметром 13 мм. Межосевое расстояние между отверстиями 80х80 мм. Ширина корпуса – 68 мм. Высота корпуса – 185 мм. Длина корпуса – 108 мм.

Где купить РТО 014 в Украине?
Купить коробку отбора мощности PTO 014 турецкого производителя Kazel рекомендуем в украинской компании «ГИДРО-ГИД». Мы имеем оптовый склад, который насчитывает более 85 000 товаров и более 3600 довольных клиентов. Удобные условия доставки для каждого. А также приятные цены на продукцию, соответствующие надлежащему качеству.
Для оформления заказа обращайтесь по номеру, представленному на нашем сайте или нажимайте «Кнопку связи» и мы самостоятельно позвоним Вам.