Монтажна плита TMWE6-G3/8
Монтажна плита TMWE6-G3/8 від Neo-DCV
Гідравлічна монтажна плита TMWE6-G3/8 виробника Neo-DCV для плиткової (стикової) апаратури. Вона використовується в якості допоміжного приєднуючого компоненту для монтажу і з'єднання в одному місці гідрокомпонентів. Має 1 монтажне місце.

(позначення на гідравлічній схемі)
Neo-DCV спеціалізується на виробництві гідравлічних розподільників та додаткових компонентів до них, а також клапанів, плит, блоків та іншому гідрообладнанні. Уся продукція високоякісна та буду довго Вам слугувати, якщо дотримуватися правил експлуатації. Надійність - основний пріоритет у роботі Neo-DCV.
ТЕХНІЧНІ ХАРАКТЕРИСТИКИ TMWE6-G3/8
| Максимальна пропускна здатність | 50 л/хв |
| Максимальний тиск | 250 Бар |
| ДУ | 6 |
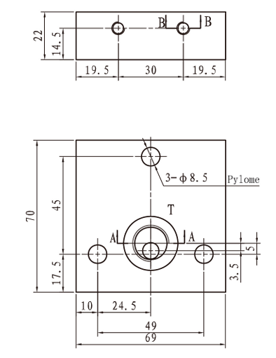
Приєднувальні розміри плити TMWE6-G3/8 для гідравліки
- Ширина корпуса - 69 мм.
- Висота корпуса - 29 мм.
- Різьба - 3/8".

Де купити монтажну плиту в Україні?
Купити мнтажну плиту, рекомендуємо в українській компанії "ГІДРО-ГІД". Ми маємо широкий асортимент товару, де Ви точно знайдете гідрокомпонент у відповідності Вашій системі. Також маємо оперативну доставку, зручні умови оплати та професійних менеджерів, які допоможуть підібрати гідроапаратуру, яка Вас цікавить.
Для оформлення замовлення звертайтеся за номером, який представлений на нашому сайті або натискайте "Кнопку зв'язку".
- Виробник Neo-DCV
- Діаметр умовного проходу ДУ 6
- Кількість місць 1