Клапан запобіжний BKH1-100 для дозаторів HKUQ200/500, HKU800, HKU1000
Клапан запобіжний BKH1-100 на 100 Бар M+S HYDRAULIC
Клапани M+S Hydraulic BKH розроблені для захисту компонентів гідравлічного контуру: насосів, блоків рульового управління та циліндрів від перевантажень, ударів і кавітації.

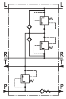
(позначення на гідравлічній схемі)
Деякі їхніх переваиг:
- легка інтеграція в будь-який гідравлічний контур,
- легке кріплення до блоку рульового управління,
- швидке та просте підключення шлангів.
M + S Hydraulic - один з провідних болгарських виробників, заснований в 1963 році. З 1972 року M + S Hydraulic спеціалізується на виробництві гідравлічного обладнання. У 1995 році компанія, яка була першою в Болгарії, отримала сертифікат якості відповідно до вимог міжнародних стандартів ISO 9001: 1994.
ЗАСТОСУВАННЯ BKH1-100 В ГІДРАВЛІЦІ
BKH1-100 найбільш поширений серед насос-дозаторів:
- HKUQ200/500,
- HKU800,
- HKU1000.
ПРИЄДНУВАЛЬНІ РОЗМІРИ BKH1-100
- довжина корпуса - 83.5 мм
- ширина корпуса - 83.5 мм
- висота корпуса - 44 мм
- порт М - М22х1.5
ДЕ КУПИТИ BKH1-100 ДЛЯ ГІДРАВЛІКИ?
Запобіжний клапан BKH1-100 болгарського виробництва M+S Hydraulic рекомендуємо купити в українській компанії "ГІДРО-ГІД". Ми пишаємося тим, що можемо постачати товари найкращої европейської якості для наших клієнтів, а також радувати Вас зручними умовами доставки та оплати, гарантією 12 місяців.
Для замовлення звертайтеся за номером, який представлений на нашому сайті або залишайте свій у вікні "Кнопка зв'язку" та ми оперативно Вам зателефонуємо.
- Виробник M+S Hydraulic