Гидрораспределитель с пневмоуправлением DTCA200
Гидрораспределитель замкнутого цикла DTCA200
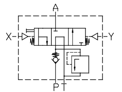
Гидрораспределитель DTCA200 португальского производства ABER имеет пневматическое управление. Применяется для управления движением исходящего потока путем направления потока рабочей жидкости в гидроцилиндр. В нейтральном положении масло двигается с подачи на слив и циркулируется по кругу. При подаче давления воздуха к распределителю открывается рабочая линия к гидроцилиндру.

(обозначение на гидравлической схеме)
ABER – один из наиболее важных производителей в области гидравлики на международном рынке. Компания основана в 1972 году в Португалии, постоянно работает над изобретением и внедрением новых продуктов. Имеет широкий спектр товаров отличного качества, среди которых Вы можете найти гидронасосы, гидромоторы, масляные баки, валы отбора, пневмораспределители и многое другое. Миссией компании является разработка и производство высококачественной гидравлической продукции с использованием технологий, чтобы все клиенты были максимально удовлетворены.
Технические характеристики DTCA200 для гидросистемы
Гидрораспределитель DTCA200 с пневматическим управлением имеет пропускную способность – 200 л/мин. Максимальное давление рабочей жидкости достигает 300 бар. Рекомендованная температура масла в гидросистеме составляет от -10 до +80 °С.
| Пропускная способность | 200 л/мин |
| Максимальное давление | 300 Бар |
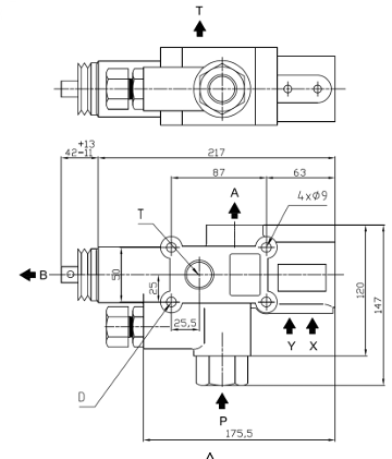
Присоединительные размеры DTCA200
DTCA200 имеет длину корпуса 217 мм. Ширина корпуса составляет 147 мм. Вес – 5.2 кг.
Более подробная информация о каждом из портов приведена на рисунке ниже.

Где купить гидрораспределитель DTCA200?
Гидрораспределитель с пневмоуправлением DTCA200 португальского производства ABER рекомендуем приобрести у украинской компании ГИДРО-ГИД. Мы не только производитель маслостанций, компрессоров, испытательных стендов и других гидросистем, но и надежный поставщик гидравлического оборудования. Уверены, что каждый из Вас после того как получит свой заказ удобным для Вас перевозчиком, вернется к нам снова, ведь у нас есть только качественные комплектующие, иногда даже редкие.
Для оформления заказа обращайтесь по номеру, представленному на нашем сайте или пользуйтесь «Кнопкой связи».
- Пропускная способность, л/мин 200
