Фильтр-сапун SA145G1L10A (1 1/2")
Фильтр-сапун SA145G1L10A
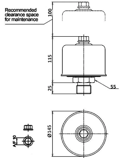
Фильтр-сапун SA145G1L10A обеспечивает надежную защиту гидробака от загрязнений, содержащихся в воздухе. Устанавливается непосредственно на бак и используется в гидросистемах промышленного оборудования, строительной, сельскохозяйственной и другой мобильной техники. Благодаря металлическому корпусу фильтр устойчив к механическим повреждениям и подходит для работы в тяжелых условиях эксплуатации.
Технические характеристики фильтра SA145G1L10A
Фильтр SA145G1L10A имеет максимальный расход до 1850 литров в минуту. Оснащен сменным фильтрующим элементом для поддержания высокого уровня чистоты в резервуаре. Присоединительная резьба – наружная G1 1/2".
Материал корпуса – сталь, фильтрующий элемент изготовлен из бумаги, пропитанной специальной смолой. Уплотнение – NBR.

Где купить фильтр SA145G1L10A?
Купить фильтр SA145G1L10A в Украине можно в компании «СКР-Гидравлик", которая предоставляет высококлассное оборудование для вашей гидравлической системы. Также наша компания может помочь с установкой после подбора гидрооборудования.