Гидрораспределитель с пневмоуправлением KZL SEMS 02
Гидрораспределитель замкнутого цикла KZL SEMS 02
Гидрораспределитель с пневмоуправлением KZL SEMS 02 турецкого производства Kazel имеет пневматическое управление. Применяется для управления движением исходного потока путем направления потока рабочей жидкости в гидроцилиндр. В нейтральном положении масло движется с подачи на слив и циркулируется по кругу. При подаче давления воздуха к распределителю открывается рабочая линия к гидроцилиндру.
Мы ценим заключённые договоры при партнерских отношениях с Kazel, поскольку они имеют высокое качество товаров, что является главным для нашей компании. Также, наши клиенты понравились их продукции через широкую линейку продукции, которая позволяет собрать гидросистему от единственного производителя. Они имеют гидрораспределители, коробки отбора мощности, гидронасосы, валы, фитинги и многое другое.
Технические характеристики SEMS 02 для гидросистемы
Гидрораспределитель SEMS 02 с пневматическим управлением имеет пропускную способность – 250 л/мин. Максимальное давление рабочей жидкости достигает 350 бар. Пневматическое рабочее давление составляет 7-12 Бар. Рекомендованная температура масла в гидросистеме составляет от -10 до +80 °С.
| Пропускная способность | 250 л/мин |
| Максимальное давление | 350 Бар |
| Пневматической рабочее давление | 7-12 Бар |
Присоединительные размеры KZL SEMS 02
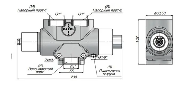
SEMS 02 имеет длину корпуса 239 мм. Высота корпуса с портом для подсоединения насоса – 102 мм. Ширина корпуса составляет 60,5 мм.
Более подробная информация о каждом из портов приведена на рисунке ниже.

Где купить гидрораспределитель SEMS 02 от Kazel?
Гидрораспределитель с пневмоуправлением SEMS 02 турецкого производства Kazel рекомендуем приобрести в украинской компании ГИДРО-ГИД. Мы не только производим маслостанции, компрессоры, испытательные стенды и другие гидросистемы, но и являемся надежный поставщиком гидравлического оборудования. Уверены, что каждый из Вас после того как получит свой заказ удобным для Вас перевозчиком, вернется к нам снова, ведь у нас есть только качественные комплектующие, иногда даже редкие.
Для оформления заказа обращайтесь по номеру, представленному на нашем сайте или пользуйтесь «Кнопкой связи».
- Пропускная способность, л/мин 250