Гідророзподілювач з пневмокеруванням KZL SEMS 02
Гідророзподільник замкненого циклу KZL SEMS 02
Гідророзподільник з пневмокеруванням KZL SEMS 02 турецького виробництва Kazel має пневматичне керування. Застосовується для керування рухом вихідного потоку шляхом направлення потоку робочої рідини в гідроциліндр. У нейтральному положенні масло рухається з подачі на злив та циркулюється по колу. Під час подачі тиску повітря до розподільника відкривається робоча лінія до гідроциліндра.
Ми цінуємо укладені договори при партнерські відносини з Kazel, оскільки вони мають високу якість товарів, що є головним для нашої компанії. Також, наші клієнти вподобали їхню продукцію через широку лінійку продукції, яка дозволяє зібрати гідросистему від єдиного виробника. Вони мають гідророзподільники, коробки відбору потіжності, гідронасоси, вали, фітинги та багто іншого.
Технічні характеристики SEMS 02 для гідросистеми
Гідророзподільник SEMS 02 з пневматичним керуванням має пропускну здатність – 250 л/хв. Максимальний тиск робочої рідини сягає 350 Бар. Пневматичний робочий тиск є 7-12 Бар. Рекомендована температура масла в гідросистемі становить від -10 °С до +80 °С.
| Пропускна здатність | 250 л/хв |
| Максимальний тиск | 350 Бар |
| Пневматичний робочий тиск | 7-12 Бар |
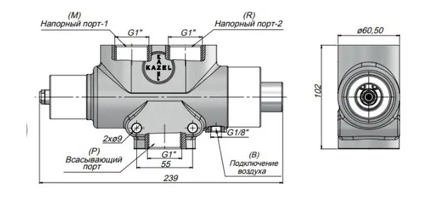
Приєднувальні розміри KZL SEMS 02
ISEMS 02 має довжину корпусу 239 мм. Висота корпуса із портом для приєднання насосу – 102 мм. Ширина корпусу становить 60,5 мм.
Детальніше інформація про кожен із портів наведена на рисунку нижче.

Де купити гідророзподільник SEMS 02 від Kazel?
Гідророзподільник з пневмокеруванням SEMS 02 турецького виробництва Kazel рекомендуємо придбати в українській компанії «ГІДРО-ГІД». Ми є не лише виробником маслостанцій, компресорів, випробувальних стендів та інших гідросистем, а й надійним постачальником гідравлічного обладнання. Впевнені, що кожен із Вас після того як отримає своє замовлення зручним для Вас перевізником, повернеться до нас знову, адже ми маємо лише найякісніші комплектуючі, інколи навіть рідкісні.
Для оформлення замовлення звертайтеся за номером, який представлений на нашому сайті або користуйтеся «Кнопкою зв’язку».
- Пропускна здатність, л/хв 250