Overcenter - тормозной (подпорный) клапан (105 л/мин, VBCD 3/4" DE CC)
ТОРМОЗНОЙ КЛАПАН VBCD 3/4" DE CC ДЛЯ ГИДРОСИСТЕМЫ
Тормозной клапан VBCD 3/4" DE CC от итальянской компании Oleodinamica Marchesini, которая производит самые разные гидроклапаны высочайшего качества. Его применяют для контроля привода и при необходимости блокировки потока в обоих направлениях.
Чаще этот тип клапанов применяют, чтобы контролировать плавный опуск груза. Клапан не допускает никаких кавитаций гидропривода. А также для ограничения максимального давления в случае ударов, созданных нагрузками или перегрузками.

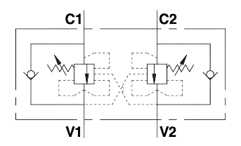
(Обозначение на гидравлической схеме)
ТЕХНИЧЕСКИЕ ХАРАКТЕРИСТИКИ VBCD 3/4" DE CC ДЛЯ КОНТРОЛЯ ГИДРОСИСТЕМЫ
Корпус Overcenter изготовлен из оцинкованной стали, а его внутренние компоненты – термически закаленной и шлифованной стали. Уплотнение – BUNA N standard, незначительная утечка. Рекомендованная температура рабочей воды составляет 50°С. Максимальный расход – 105 л/мин. Максимальное давление – 350 бар.
| Максимальный расход | 105 л/мин |
| Максимальное давление | 350 Бар |
УСТАНОВКА VBCD 3/4" DE CC
Установка не займет много времени и монтируется в линию. Следует выполнить простой алгоритм:
1. Подключите порты V1 и V2 к потоку давления.
2. Порты С1 и С2 подключить к исполнительному механизму (гидромотору или гидроцилиндру).
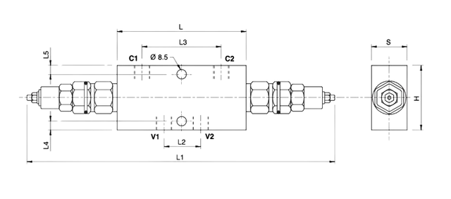
ПРИСОЕДИНЯЮЩИЕ РАЗМЕРЫ VBCD 3/4" DE CC В ГИДРОСИСТЕМЕ
VBCD 3/4" DE CC имеет следующие основные размеры:
• Высота корпуса (H) – 80 мм.
• Длина корпуса – 320 мм.
• Ширина корпуса (S) – 35 мм.
• Резьба (V1-V2, C1-C2) – G3/4”.
• Вес – 3.1 кг.
|
V1-V2 С1-С2 |
L | L1 | L2 | L3 | L4 | L5 | H | S |
| G3/4” | 152 | 320 | 58 | 106 | 15 | 21 | 80 | 35 |
ГДЕ КУПИТЬ ТОРМОЗНОЙ КЛАПАН VBCD 3/4" DE CC?
Лучшим выбором для покупки Overcenter - тормозного (подпорного) клапана VBCD 3/4" DE CC от итальянской компании Oleodinamica Marchesini является украинская компания «ГИДРО-ГИД». Почему стоит выбрать нас? , Опыт продаж более 7 лет и оптимальные условия сотрудничества с каждым клиентом.
Для оформления заказа оставляйте свой номер в окне «Кнопка связи» или звоните нам самостоятельно. С нетерпением ждем уведомления именно от Вас!
- Производитель Oleodinamica Marchesini
- Максимальное рабочее давление, Бар 350
- Пропускная способность, л/мин 105
- Тип монтажа Трубный
- Резьба 3/4" BSP
