Overcenter - гальмівний (підпірний) клапан (105 л/хв, VBCD 3/4" DE CC)
ГАЛЬМІВНИЙ КЛАПАН VBCD 3/4" DE CC ДЛЯ ГІДРОСИСТЕМИ
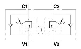
Гальмівний клапан VBCD 3/4" DE CC від італійської компанії Oleodinamica Marchesini, яка виробляє найрізноманітніші гідроклапани найвищої якості. Його застосовують для контролювання приводу та за необхідності блокування потоку в обох напрямках.
Найчастіше цей тип клапанів застосовують, щоб контролювати плавний опуск вантажу. Клапан не допускає жодних кавітацій гідроприводу. А також для обмеження максимального тиску в разі ударів, створениї навантаженнями чи перенавантаженнями.

(Позначення на гідравлічній схемі)
ТЕХНІЧНІ ХАРАКТЕРИСТИКИ VBCD 3/4" DE CC ДЛЯ КОНТРОЛЮ ГІДРОСИСТЕМИ
Корпус Overcenter вироблений з оцинкованої сталі, а його внутрішні компоненти – термічно загартованої та шліфованої сталі. Ущільнення – BUNA N standard, незначний витік. Рекомендована температура робочої рідини становить 50°С. Максимальна витрата – 105 л/хв. Максимальний тиск – 350 Бар.
| Максимальна пропускна здатність | 105 л/хв |
| Максимальний тиск | 350 Бар |
ВСТАНОВЛЕННЯ VBCD 3/4" DE CC
Встановлення не займе багато часу та монтується в лінію. Варто виконати простий алгоритм:
1. Підключіть порти V1 та V2 до потоку тиску.
2. Порти С1 та С2 підключити до виконавчого механізму (гідромотору або гідроциліндру).
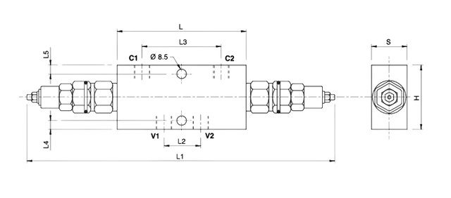
ПРИЄДНУВАЛЬНІ РОЗМІРИ VBCD 3/4" DE CC У ГІДРОСИСТЕМІ
VBCD 3/4" DE CC має такі основні розмірі:
- Висоту корпуса(H) – 80 мм.
- Довжина корпуса – 320 мм.
- Ширина корпуса(S) – 35 мм.
- Різьба(V1-V2, С1-С2) – G3/4”.
- Вага – 3.1 кг.
|
V1-V2 С1-С2 |
L | L1 | L2 | L3 | L4 | L5 | H | S |
| G3/4” | 152 | 320 | 58 | 106 | 15 | 21 | 80 | 35 |
ДЕ КУПИТИ ГАЛЬМІВНИЙ КЛАПАН VBCD 3/4" DE CC?
Найкращим вибором для купівлі Overcenter - гальмівного (підпірного) клапана VBCD 3/4" DE CC від італійської компані Oleodinamica Marchesini є українська компанія «ГІДРО-ГІД». Чому варто обрати нас? Ми маємо склад гідрокомпонентів, який налічує понад 152000 товарів найвищої якості, найкращих працівників, досвід продажів понад 7 років та оптимальні умови співпраці з кожним клієнтом.
Для оформлення замовлення залишайте свій номер телефону у вікні «Кнопка зв’язку» або телефонуйте нам самостійно. З нетерпінням чекаємо повідомлення саме від Вас!
- Виробник Oleodinamica Marchesini
- Максимальний робочий тиск, Бар 350
- Пропускна здатність, л/хв 105
- Тип монтажа Трубний
- Різьба 3/4" BSP
