Коробка отбора мощности ZF PTO 07 (PT1ZFS12SW)
Коробка отбора мощности ZF PTO 07 от Kazel
Коробка отбора мощности ZF PTO 07 от турецкого производителя Kazel применяется для передачи мощности крутящего момента от двигателя автомобиля гидронасосу.
Мы доверяем продукции турецкой компании Kazel уже очень давно. Нам нравится качество их товаров, а также широкий ассортимент товаров (коробки отбора мощности, валы, датчики, фитигны, гидрораспределители, гидронасосы, джойстики и др.). Компания основана в 1982 году и завладела авторитетом среди гидравлических производителей.
Технические характеристики ZF PTO 07 для гидросистемы
Модели коробки:
• ZF16S251-221-151-150-130, ZFS5
• AK
• 6S-120-111-110-92, GPZFS5
• 6S-90-80-70-66-65-55-50 42-36-35
• ZF 9S 75
• 9S109
• 16S109
• ZF AK 680
• AK 690
• S680
• S690
ZF PTO 07 имеет пневматическое рабочее давление 7-12 бар. Система управления КОМ ZF PTO 07 – воздушная. Вращающийся момент достигает 230 Nm. Мощность – 25.7 Kw. Скорость вращения на выходе составляет 500 об/мин.
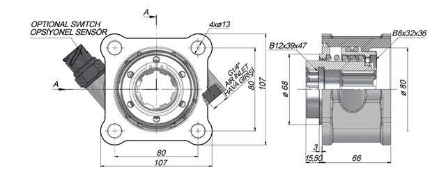
Присоединительные размеры ZF PTO 07 для гидравлики
ZF PTO 07 имеет крепление на 4 отверстия диаметром 13 мм. Межосевое расстояние между отверстиями 80х80 мм. Ширина корпуса – 81.5 мм. Высота корпуса – 107 мм. Длина корпуса – 107 мм.

Где купить ZF PTO 07 в Украине?
Купить коробку отбора мощности ZF PTO 07 турецкого производителя Kazel рекомендуем в украинской компании «ГИДРО-ГИД». Мы имеем оптовый склад, который насчитывает более 85 000 товаров и более 3600 довольных клиентов. Удобные условия доставки для каждого. А также приятные цены на продукцию, соответствующие надлежащему качеству.
Для оформления заказа обращайтесь по номеру, представленному на нашем сайте или нажимайте «Кнопку связи» и мы самостоятельно позвоним Вам.